KJT-C208四路防爆電接點壓力表
- ●:100標準儀表安裝
- ●:控制點現場任意組態
- ●:采樣速率: 5次/秒
- ●:4位LED數碼管顯示
- ●:4~20mA標準信號輸出
- ●:防護等級: IP66
- ●:四路控制點繼電器輸出
- ●:供電電源可選24VDC、220VAC
- ●:防爆標志: ExdII CT6 Gb

智能壓力控制器是集壓力測量、顯示、輸出、控制于一體的智能數顯壓力測控產品。該產品為全電子結構,前端采用帶格力膜充油壓阻式壓力傳感器,由高精度的A/D轉換,經微處理器運算處理,現場顯示,并輸出-路模擬量和四路開關量。
該智能數字壓力控制器使用靈活,操作簡單,調試容易,安全可靠。廣泛應用于水電,自來水,石油,化工,機械,液壓等行業,對流體介質的壓力進行現場測量顯示和控制。
| 型普 | 說明 | |
| KJT-C208 | 防爆電接點壓力表 | |
| 輸出方式 | 202 | 單路繼電器輸出 |
| 204 | 雙路繼電器輸出 | |
| 206 | 三路繼電器輸出 | |
| 208 | 四路繼電器輸出 | |
| 2 | 常開 | |
| 3 | 常開+常閉 | |
| 變送輸出 | 0 | 無輸出 |
| 2 | 4-20mA輸出 | |
| 精度等級 | 1 | 1% |
| 2 | 0.5% | |
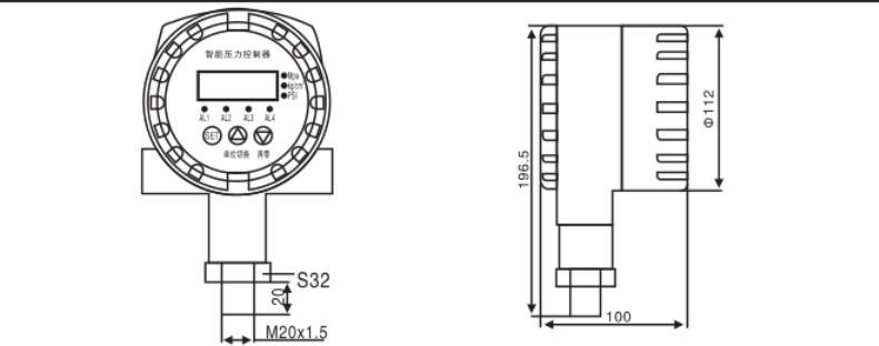
| 過程連接 | A | 20*1.5 |
| B | G1/2 | |
| D | 其他訂貨是注明 | |
| 供電方式 | W | DC24V電池供電 |
| A | AC220V供電 | |
| 測量范圍 | -100kPa-60MPa | 客戶自選 |





