KJT-6102一體式壓力變送器
- 測量范圍:-0.1-0- 60MPa
- 過載極限:額定量程的1.5-3倍
- 綜合精度:0.5%FS 0.2%FS
- 輸出信號:4-20mA、0-5V、 1-5V、0-10V、 0.5-4.5V
- 輸出電壓:12- 36VDC
- 介質溫度:-20-80℃
- 儲存環境:-40-85°C≤95%RH
- 穩定性:0.2%FS年
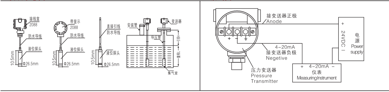
- 過程接口:M20*1.5、G1/2、G1/4
- 電氣接口:防水接頭(IP68)
KJT-6102系列電容式變送器,可廣泛應用于冶金,煉油、電力石化、醫藥、造紙、環保食品和紡織等工業部門,用來測量液體、氣體和蒸氣的差壓、壓力、液位、密度、等參數與節流孔板配用還可用于測量,它將被測信號轉換成4-20mADC,與其他儀表組合成自動檢測,記錄、計算調節或控制等儀表,可組成各種工業自控系統。本樣本對KJT-6102系列電容式變送器的共同特性作一般的介紹, 包括產品型號命名、產品系列、主要特點、工作原理、功能參數等,如果要更詳細了解,請參考該系列各種型號 變送器的使用說明書。


